There are many types of power supplies.
Most are designed to convert AC line supply to an appropriate value for low-voltage circuits and other electronic devices
Power Supply 9 Volt 2 Amp
12 Volt DC Power Supply
12 Volt DC 30 Amp Power Supply
13 Volt 20 Amp PS
Symmetrical Power supply 15 Volt
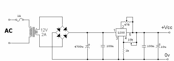
Power supply voltage variable with L200
Power supply 12V (switched) 2A
12V UPS
Adjustable PS with LM338
Operation:
The adjustment is given by the multi-turn potentiometer 5K, the voltimeter LCD (200V) and amperimeter LCD (200mV) require external power, 9V batteries can be used.










0 komentar:
Posting Komentar